創作系ひとりプロダクションもどき「B'sChamber」の活動報告など
×
[PR]上記の広告は3ヶ月以上新規記事投稿のないブログに表示されています。新しい記事を書く事で広告が消えます。
ウチの呼び鈴が壊れて鳴らなくなっていたので直せという指令が出ていたので、昨日はこれをやっていました。
ウチの呼び鈴は変わっていて、ボタンを押すと「ピーヒョロロロロー」とトンビが鳴くようになっています。
今の家に引っ越してくるときに「ただのピンポンやブーじゃ面白くないから」と、トンビの鳴き声の出るキットを呼び鈴にするべくヲレが仕込んだのです。
当初家族には不評だったんですが(気持ちはわかる)そのうち慣れてきたのか普通の対応をとるようになってきました。
それが17年目にして故障。
「嫌だったんだろうから、いいじゃんこれで」と思っていたら「不便だから」「宅配の人が来てもわからないから」という理由で復帰の指令となった次第。ごく当たり前の理由といえば理由だけど、ちょっとだけ嬉しかったな。
調査の結果、問題は「接点端子のハンダはずれ」というもっとも簡単な理由だったことが判明。
ただ外のボタンも接触不良が目立ってきたので、この機会に換えることに。
そしてどうせ換えるならここに一味加えたいと思い、こんな感じにしました。
スイッチはヲレの定番のこれ。
ヨネミン・Gにも使ったミヤマの・・・・あ、型番忘れた。
東急ハンズにも売ってるあれです。
適度な手ごたえとポチッとしたルックス。
そして「俺はスイッチだ。だから押せ」と言わんばかりの主張の強い「PUSH ON」のトップ文字がいい味を出してます。
そしてそれを受け止める塩ビ板は黄色。
注意を惹く意味、というより塩ビ板の在庫がいちばんあったからこれにしたという不順な動機も忍ばせつつ。
囲む板は5ミリ厚のシナベニヤ板を木工ボンドで貼り合わせたもの。
耐候性としてはいまいちだけど、これ最近のヲレのケース作りのスタイルだし、一応内側の隅にはコーキング目的で木工ボンドを余計に回してあるし、そのヲレのケース作りにおける耐候性試験も兼ねられるからいいやと思って。
実際に押してみると・・・・塩ビ版がちょっとしなるけど、ま、いっか。
そして今回のアップグレードである「許可スイッチ」。
要はボタンとの間に直列に割り込ませることで、外のボタンを許可/キャンセルするというもの。
意味が無いように思われるかもしれないけど、だれだって家にいれば「ちょっと手が離せない」「今は静かにして欲しい」と思うときがあるでしょう。
そんなときにこれを「鳴らさない」にしておくと、いくらボタンを押されても鳴らないのでそういうときに便利だろうと思って付けた。
だって来訪者の応対は義務じゃないもんね。
あまり深く考えずに作ったので両方とも箱がデカくなってしまったのがちょっとだけ気にはなってる。
ちょっとだけ。
ウチの呼び鈴は変わっていて、ボタンを押すと「ピーヒョロロロロー」とトンビが鳴くようになっています。
今の家に引っ越してくるときに「ただのピンポンやブーじゃ面白くないから」と、トンビの鳴き声の出るキットを呼び鈴にするべくヲレが仕込んだのです。
当初家族には不評だったんですが(気持ちはわかる)そのうち慣れてきたのか普通の対応をとるようになってきました。
それが17年目にして故障。
「嫌だったんだろうから、いいじゃんこれで」と思っていたら「不便だから」「宅配の人が来てもわからないから」という理由で復帰の指令となった次第。ごく当たり前の理由といえば理由だけど、ちょっとだけ嬉しかったな。
調査の結果、問題は「接点端子のハンダはずれ」というもっとも簡単な理由だったことが判明。
ただ外のボタンも接触不良が目立ってきたので、この機会に換えることに。
そしてどうせ換えるならここに一味加えたいと思い、こんな感じにしました。
ヨネミン・Gにも使ったミヤマの・・・・あ、型番忘れた。
東急ハンズにも売ってるあれです。
適度な手ごたえとポチッとしたルックス。
そして「俺はスイッチだ。だから押せ」と言わんばかりの主張の強い「PUSH ON」のトップ文字がいい味を出してます。
そしてそれを受け止める塩ビ板は黄色。
注意を惹く意味、というより塩ビ板の在庫がいちばんあったからこれにしたという不順な動機も忍ばせつつ。
囲む板は5ミリ厚のシナベニヤ板を木工ボンドで貼り合わせたもの。
耐候性としてはいまいちだけど、これ最近のヲレのケース作りのスタイルだし、一応内側の隅にはコーキング目的で木工ボンドを余計に回してあるし、そのヲレのケース作りにおける耐候性試験も兼ねられるからいいやと思って。
実際に押してみると・・・・塩ビ版がちょっとしなるけど、ま、いっか。
要はボタンとの間に直列に割り込ませることで、外のボタンを許可/キャンセルするというもの。
意味が無いように思われるかもしれないけど、だれだって家にいれば「ちょっと手が離せない」「今は静かにして欲しい」と思うときがあるでしょう。
そんなときにこれを「鳴らさない」にしておくと、いくらボタンを押されても鳴らないのでそういうときに便利だろうと思って付けた。
だって来訪者の応対は義務じゃないもんね。
あまり深く考えずに作ったので両方とも箱がデカくなってしまったのがちょっとだけ気にはなってる。
ちょっとだけ。
PR
GW中はバイトで日払い給料と引き換えにかなりの体力を消耗してしまい、更新はおろか見にすら来ていないというテイタラクに申し訳なく思いつつの書き込み再開です。回復まで3日。働いた日数分かかってしまいました。
実はGW前から計画していたものに「タカ・ナンショウ・G」という発振回路の製作、というのがあったので進めることにしました。
「タカ・ナンショウ・G」とはCMOSICを使った楽器用発振回路です。
「安くてすごい音の出るオシレータを作ってよ」というノイジシャン南束尚治氏の依頼で作りました。
引き受けたもののどうすればいいか、どこから手をつけたらいいか悩んだ結果、その昔某エンジニア経由でノイズバンド「非常階段」用に作ったエフェクターの中にリングモジュレータを組み込んだことを思い出し、それに近い効果が出る組み合わせを1つのICでやってみることにしました。
回路構成はメインの発振回路が1つ、サブの発振回路が1つ、NANDゲートによる振幅変調部分が1つ、そしてもう1つのゲートは空き、という組み合わせです。
本当のリングモジュレータに比べてちょっと勢いが足りない(正確にはリングモジュレータの半分)のと、2つの発振回路を1つのICで構成したためにその発振回路同士で電池のエネルギーを食い合い、ところどころのポイントで妙に波形が「シンクロ」してしまうという残念なところもありますが、まぁそれも味、ということで。
引き渡した後、南束氏は数回ステージ上で使ってくださいました。
エフェクターを複数つなぎ、さらに轟音に仕上げて会場を埋め尽くす様はなかなかのものでした。
今回は南束氏モデルをさらにグレードアップし、さらにそれを3つ作ることにしました。
グレードアップ点は
●外部から音のオンオフが出来る「ゲート入力」を搭載(チップ-スリーブ間をショートするとオン)
→ヨネミン・Gでなかなかの感触をつかんだので、今後も搭載していこうと。
●外部から周波数をコントロール出来る「Ylink」を搭載
→「これから作る製品にはなるべく搭載しましょう。つないで楽しい自作楽器ワールドを」という米本先生のご提案を受けたもの。こうすることで今後いろいろな機器と接続して面白い効果が期待できる。
●例によって木+エンビのケース概観
→とかく金属的でメカメカしがちな(それもいいんだけどさ)自作機器ものに少しでも味とぬくもりを、という意味があるように見えつつ、実はコストと加工のしやすさを採っただけのことなので、グレードアップという意味は正直薄いけど。
の3点。
他にも「デジタルトランジスタ使用による部品点数のプチ削減」というのもあるけどこれはむしろ「最適化」ということで次選。
前回のヨネミン・Gは作った後に高円寺のマッチングモールや丸子のThrobでのステージでデモったけど、今回はどこでデモるかまだ未定。
もちろん希望者があれば無理のない値段で製作もしますが、そのときはもう少し概観を整えてから。
(今回ゲットしたケースはちょっとデカい気がするんです。)
「タカ・ナンショウ・G」とはCMOSICを使った楽器用発振回路です。
「安くてすごい音の出るオシレータを作ってよ」というノイジシャン南束尚治氏の依頼で作りました。
引き受けたもののどうすればいいか、どこから手をつけたらいいか悩んだ結果、その昔某エンジニア経由でノイズバンド「非常階段」用に作ったエフェクターの中にリングモジュレータを組み込んだことを思い出し、それに近い効果が出る組み合わせを1つのICでやってみることにしました。
回路構成はメインの発振回路が1つ、サブの発振回路が1つ、NANDゲートによる振幅変調部分が1つ、そしてもう1つのゲートは空き、という組み合わせです。
本当のリングモジュレータに比べてちょっと勢いが足りない(正確にはリングモジュレータの半分)のと、2つの発振回路を1つのICで構成したためにその発振回路同士で電池のエネルギーを食い合い、ところどころのポイントで妙に波形が「シンクロ」してしまうという残念なところもありますが、まぁそれも味、ということで。
引き渡した後、南束氏は数回ステージ上で使ってくださいました。
エフェクターを複数つなぎ、さらに轟音に仕上げて会場を埋め尽くす様はなかなかのものでした。
今回は南束氏モデルをさらにグレードアップし、さらにそれを3つ作ることにしました。
グレードアップ点は
●外部から音のオンオフが出来る「ゲート入力」を搭載(チップ-スリーブ間をショートするとオン)
→ヨネミン・Gでなかなかの感触をつかんだので、今後も搭載していこうと。
●外部から周波数をコントロール出来る「Ylink」を搭載
→「これから作る製品にはなるべく搭載しましょう。つないで楽しい自作楽器ワールドを」という米本先生のご提案を受けたもの。こうすることで今後いろいろな機器と接続して面白い効果が期待できる。
●例によって木+エンビのケース概観
→とかく金属的でメカメカしがちな(それもいいんだけどさ)自作機器ものに少しでも味とぬくもりを、という意味があるように見えつつ、実はコストと加工のしやすさを採っただけのことなので、グレードアップという意味は正直薄いけど。
の3点。
他にも「デジタルトランジスタ使用による部品点数のプチ削減」というのもあるけどこれはむしろ「最適化」ということで次選。
前回のヨネミン・Gは作った後に高円寺のマッチングモールや丸子のThrobでのステージでデモったけど、今回はどこでデモるかまだ未定。
もちろん希望者があれば無理のない値段で製作もしますが、そのときはもう少し概観を整えてから。
(今回ゲットしたケースはちょっとデカい気がするんです。)
お手本はロッキンf別冊「エフェクター自作&操作術(銀バージョン)」の青いページです。
電子スイッチに対応していないエフェクターを電子スイッチ仕様に対応させるための回路の一部として描いてあったものを抜き出し、両サイドにその動きを確認するためのLEDドライヴ用のNPNトランジスタを配置しました。
それを裏返して胴箔のほうを上にし、そこに部品をハンダ付け。
特に難しい回路ではないのでスグに出来ました。
そしてちゃんと動きました。
本来の値の部品がなかったのでそれに近い値の部品をつけたにしてはよく出来てます。
互いのベースからコレクタに行く100kΩにパラっているコンデンサなどは同じ値をのものを3つ並列にしたもんだからもう基板の上は中国雑技団状態。
でも動いてくれたんだからありがたいです。
一応9Vで動かすことを考えていたのでまずは9Vでドライヴ。
そして電圧を下げて(といっても電源装置の使用でガクガクッと落としたんだけど)いくと5Vまでは動いて、次の3Vでギヴアップ。
動かしている間に「3Vのボタン電池で動かせるような回路にして、ライヴのおみやげグッズに仕立てようか?」と考え始めたため、これはちょっと痛い。
というわけでその中国雑技団の部分にさらに100kΩをパラって50kΩにしたら3Vでも動いた。
互いのコレクタにつながる電流制限用の抵抗を470Ωにして無事に動くことを確認。
調子に乗ってその470Ωを220Ωにしてみたら今度は「両方ともLEDが点灯」という好ましくない結果になったので再び470Ωに戻した。
基板の形とかLEDの種類をよく検討して、形にしてみようっと。
と書きながら「これ普通にCMOSの4013とか4027でトリガフリップフロップを作ったほうが部品点数が少なくなっていいんじゃないの?」と、元も子もないことを思ってしまったヲレがいてちょっと苦笑。
多分大量に作るんだったらその方がいいかも・・・・考えてみるか。
考えるほど難しくないけど。
76477の出番が今週の金曜深夜なので、もうそろそろ動かないとということでまずはオケ用PCにセットリストを組みました。
76477は絵と音で楽しんでもらうユニット(いまのところは、ですが)なのでPCはとても好都合な道具になります。
まずはPCに動画(mpeg)、または音(wav)を入れてショートカットを起こし、ゲームパッドを改造した頭出しの装置「ぎみあQ」に対応させます。(そろそろこのぎみあQをフットスイッチ化したいと考えてます。)
で本番では曲の進行に合わせてボタンをポチッとして歌います。
そのための設定をした、ということなんですが。
76477は絵と音で楽しんでもらうユニット(いまのところは、ですが)なのでPCはとても好都合な道具になります。
まずはPCに動画(mpeg)、または音(wav)を入れてショートカットを起こし、ゲームパッドを改造した頭出しの装置「ぎみあQ」に対応させます。(そろそろこのぎみあQをフットスイッチ化したいと考えてます。)
で本番では曲の進行に合わせてボタンをポチッとして歌います。
そのための設定をした、ということなんですが。
依頼主様の手に渡りました。
ちょっとホッとしております。
その後工房を探したら、サイレンチップが5個ほど出てきました。以前作った「量産型」のストックです。
今後はこれを使って新しい機械を作ります。
ちょっとホッとしております。
その後工房を探したら、サイレンチップが5個ほど出てきました。以前作った「量産型」のストックです。
今後はこれを使って新しい機械を作ります。
お待たせしました>依頼主様。
一応ヲレ仕様に近いものになってはいますが、8つのスイッチを変えてあります。
こっちの方が押した感じがいいので触ってて楽しくなります。
前回書いた通りもうこの形では作らないし、サイレンチップも近い将来手に入らなくなるようだし、サイレンチップがあるうちに次の機械を作りたいのです。
敢えてさらすことでヲレの退路を断つという意図も込めて。
ちょっと見慣れないトランジスタがありますが、これは「抵抗内蔵トランジスタ」とか「デジタルトランジスタ」といわれるもので、普通のトランジスタのように電流を細かく動かして使う用途には不向きだけれどスイッチの代わりになら十分に使えるという、結構男っぽいトランジスタです。
「ヲレ仕様」「量産型」に比べて基板は大きくなったものの、部品数は「量産型」にくらべてちょっとだけ少なくなっています。
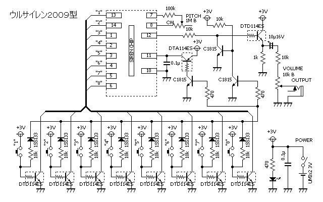
以前から、というより正確には去年の暮れに頼まれていた「ウルサイレン」を作っています。
頼まれ物なのですぐに作るべきだったんですが、仕事が忙しかったり、ヨネミンに傾いたりして(いや、ヨネミンのせいにしちゃいかんね。)なかなか前に進めず、3ヶ月以上経った今頃やっとかかれた次第。
ごめんなさい、そしてそれでも待っていてくださって感謝です>依頼者様。
●ウルサイレンとは?
いわゆるレゲエDJが良く使うという「サイレンマシン」という類のもの。
サイレンマシンは他にも日本ではいろいろな方が作られているようですが、ヲレの場合はいわゆる「バトルサウンド」と呼ばれるチップ(ヲレはサイレンチップと呼んでいる)を使ったキットをベースにしています。
キットの取説のままつくり、アンプにつないだらやたらうるさかったので「うるさいサイレン→ウルサイレン」と名付けました。
●展示してみたら注文がワサワサと
ウルサイレンはもともとヲレがステージの上でソロをとるために作った「まるっきりヲレ仕様」の電子楽器で、サイレンチップの味がモロに出てきます。
ある時「電子万博に展示で参加したら?」という誘いを受け、それまでに作ったものをいろいろと持っていったところ「これ面白いよ」ということになり、「作ってよ」という話がたくさんきたのでした。
「物販ブースに現れた変な人」の役でいいやと思っていたヲレは驚いたと同時に「ああ出てよかった」と喜んでものでした。
●ところが時は流れていて
時期については「受注生産なのでちょっとかかります」と言っておいたのでマイペースでやれると思って安心して秋葉原に買出しに行って愕然としてしまいました。
「サイレンチップの仕様が変わってる・・・・」
ヲレの作った頃のサイレンチップは普通のICで音を鳴らす仕組みも簡単になっていたんですが時は流れていたようで、確かにおなじ名前でおなじ型番のキットだったのに肝心のサイレンチップが「小さい基板にダイが直接載っているタイプ」のものになっていたのです。
しかもその新型は音の切れが悪く、鳴らしていても楽しくないのです。
もらった注文の殆どが「展示していたのと同じ仕様で」ということだったので、このままでは注文に応えられないということになってしまい、悩みました。
●そこはやっぱりテクノで解決するということで
音の切れの悪さをどうやって解決するかの実験をいろいろして得た結論は、
「ボタンを押したときだけサイレンチップに電源を入れ、離したときに電源オフと同時に音を止める回路を足す」
ということでした。
考えてみればかなり乱暴な方法ですが、キットの取説にも「電源のオンオフで音のオンオフをコントロールする」と書かれていたので問題ないだろうと判断してのことでした。
ミュートはチップとトランジスタバッファの間にトランジスタによるスイッチをつけ、ボタンが押されるとトランジスタスイッチがオフ、離されるとオンになるようにしました。
これを普通のオーディオ信号回路でやると確実に音を悪くしてしまうんですが、サイレンチップの場合は1ビットでパタパタしているだけなので問題ありません。
サイレンチップはそれぞれの端子をグランドに落とすことで動作します。
問題は「ミュート」「サイレンチップ動作」を単純なプッシュスイッチで同時に行なわなければならないことなんですがそこはテクノロジーのテクノで解決させます。
いわゆる「スイッチ」と「8入力のORゲート」、「インバータ」をダイオードとトランジスタで構成することで解決したのでした。
おかげで基板の大きさは「ヲレ仕様」の4倍、使用トランジスタは11個とえらくデラックスな形になってしまいましたが、おかげで「ヲレ仕様」と変わらない動きをするようになったのでした。
●そして10台目の注文をいただき
ヲレのテクノロジーを詰め込んだウルサイレンはいろいろなミュージシャンの元に旅立っていきました。
中にはものすごく有名な「あの方」の元にも行ったものもあります。
オリジナルな形での製作(大きな筐体+アーケードゲーム仕様のスイッチ+ピッチはフェーダー)もしました。
そして去年の暮れに久々に注文をいただいたわけです。
●新機軸はならず、伝統?の回路で
久々に作るのだからもっと改良したものにしたいと思い、トランジスタをICに置き換えた回路を考えて試してみたんですが・・・・やはり本来の仕様を下回る使い方には向いていなかったのかうまく動作してくれませんでした。
というわけでトランジスタ11個の伝統的?な回路構成で回路を起こしなおして製作、無事に動くことを確認して現在に至っています。うまくいけば明日完成?するといいな。
●事実上のラストモデル
いちおう今回の注文で、この形のウルサイレンはオシマイにします。
理由は3つ。
■この予算ではもう作れない
「ヲレ仕様」に比べて複雑な回路構成になってしまい、結果受けた予算(ノーマルタイプで3500円)では出来ないのを意地になって作ったのでかなりの赤字になってしまうのです。
■サイレンチップがすでに生産されていない
キットの販売元からの情報によれば「チップはすでに生産終了しており、よってこのキットも生産中止とする」とのことなので、今後はおいそれと作ることが出来なくなります。
まだ店のストックにはあると思うんですが、それもいつなくなるやら・・・・おさえておこうとは思っています。
■このサイレンチップを使ってもっとスゴイのを作りたい
そのストックをかき集め、そこまでするかというのを作ってみたいのです。
一応アイデアはアタマの中にあり、これから回路図を起こすことになります。
まずはチップを押さえて、ボチボチと行きます。
カレンダー
| 12 | 2026/01 | 02 |
| S | M | T | W | T | F | S |
|---|---|---|---|---|---|---|
| 1 | 2 | 3 | ||||
| 4 | 5 | 6 | 7 | 8 | 9 | 10 |
| 11 | 12 | 13 | 14 | 15 | 16 | 17 |
| 18 | 19 | 20 | 21 | 22 | 23 | 24 |
| 25 | 26 | 27 | 28 | 29 | 30 | 31 |
カテゴリー
フリーエリア
最新記事
(05/28)
(04/23)
(09/10)
(09/10)
(08/02)
(09/16)
(07/07)
(07/02)
(06/24)
(05/18)
最新TB
プロフィール
HN:
弁慶
年齢:
60
性別:
男性
誕生日:
1965/05/26
職業:
ヒマすぎて困っている板金職人
趣味:
音楽と電子工作
自己紹介:
南関東在住。
やはりYMOに影響を受け、音楽と電子工作を同時に始める。
20代よりライヴ活動を始めるも要領がわからず頓挫、しばらくは宅録と楽器集めにハマる。
30代後半から再びライヴ活動を再開し、資金難にあえぎつつも細々と活動を続ける。
最近は電子工作と音楽をより密接にした展開を目指して試行錯誤しているところ。
やはりYMOに影響を受け、音楽と電子工作を同時に始める。
20代よりライヴ活動を始めるも要領がわからず頓挫、しばらくは宅録と楽器集めにハマる。
30代後半から再びライヴ活動を再開し、資金難にあえぎつつも細々と活動を続ける。
最近は電子工作と音楽をより密接にした展開を目指して試行錯誤しているところ。
ブログ内検索
最古記事
(04/14)
(04/14)
(04/16)
(04/16)
(04/17)
(04/20)
(04/20)
(04/22)
(05/09)
(05/09)
P R
